新闻动态

  • KWZK-微正压装置的运行、维护知识分享

    KWZK-微正压装置的运行、维护知识分享

    2022-06-01 od网页版入口_OD(中国)官方设备

  • 电机控制与保护知识分享

    电机控制与保护知识分享-od网页版入口_OD(中国)官方

    2022-05-26 od网页版入口_OD(中国)官方电气

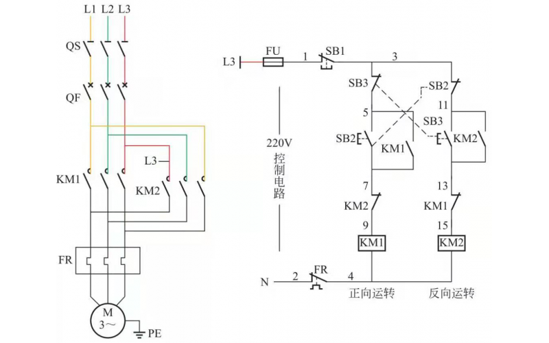
  • 接触器互锁正反转电路知识

    合上控制回路熔断器FU,电路具备启停条件。电动机主回路中增加了过载保护(热继电器FR)。电动机过载时,热继电器FR动作,FR的动断触点断开,接触器KM断电释放,KM的三个主触点同时断开,电动机断电停止运转。

    2022-04-16 kwzkod网页版入口_OD(中国)官方自控

  • 电动机及用电设备线路的维护知识

    为保证安全可靠、优质和经济合理的用电,做好用电设备的维护,故障处理及检修是十分重要的。着重介绍电动机和配电线路的检修与维护。

    2022-04-13 od网页版入口_OD(中国)官方

上一页12下一页 转至第
首页
产品
新闻
联系