新闻动态

  • ITCC系统检修规程

    ITCC系统检修规程

    2022-03-24 od网页版入口_OD(中国)官方

  • 氧化锆分析仪维修规程

    氧化锆氧量分析仪(又称氧化锆氧分析仪、氧化锆分析仪、氧化锆氧量计、氧化锆氧量表),主要用于测量燃烧过程中烟气的含氧浓度,同样也适用于非燃烧气体氧浓度测量。在传感器内温度恒定的电化学电池(氧浓差电池,也简称锆头)产生一个毫伏电势,这个电势直接反应出烟气中含氧浓度值。 氧传感器的关键部件是氧化锆,在氧化锆元件的内外两侧涂上多孔性铂电极制成氧浓度差电池。它位于传感器的顶端。为了使电池保持额定的工作温度,在传感器中设置了加热器。用氧分析仪内的温度控制器控制氧化锆温度恒定。

    2022-03-24 od网页版入口_OD(中国)官方

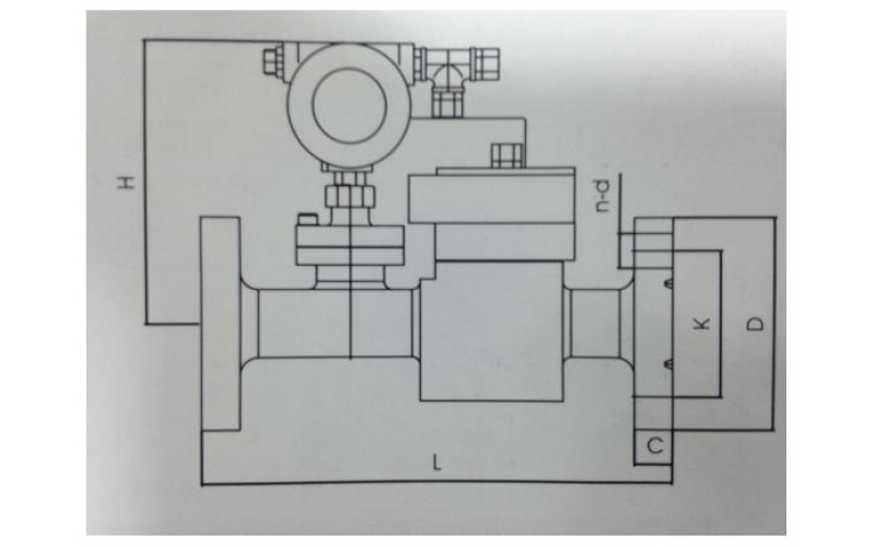
  • 高压流量自控仪

    高压流量自控仪

    2022-03-22 od网页版入口_OD(中国)官方

上一页1...20212223242526下一页 转至第
首页
产品
新闻
联系