空分系统中塔器设备故障及维护方法
2023-09-06 od网页版入口_OD(中国)官方
机组启动过程中励磁未建压原因分析
流量检测方法与仪表-差压式流量计
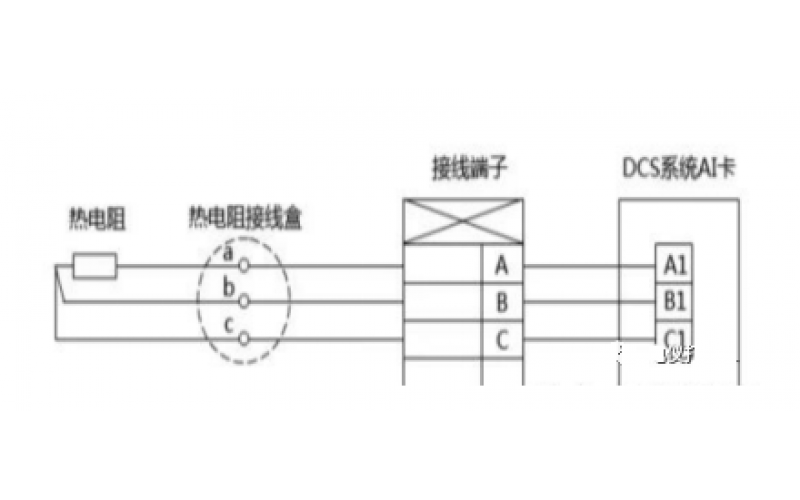
温度显示波动检修案例PT100
2023-09-05 od网页版入口_OD(中国)官方
锅炉汽包水位测量知识分享
GIS设备投运检查及设备巡视要求
2023-09-04 od网页版入口_OD(中国)官方
油田配气站工艺设备“低老坏”问题的排查与整治
电气设备发热原因分析及整改措施