行业知识

旁路作业分流异常分析

2023-09-26 10:39:51 od网页版入口_OD(中国)官方

旁路作业分流异常分析

旁路系统与待检修设备并列运行后,确认负荷电流的转移情况是关键步骤。GB/T34577-2017《配电线路旁路作业技术导则》附录C规定:


旁路设备与待检修设备、检修后设备并列运行后,应根据旁路设备及待检修设备、检修后设备的参数,核查旁路设备与分流情况是否正常。一般情况下,旁路电缆分流约占总电流的1/4~3/4。


实际作业中,由于现场装置设备组成,设备联结情况等差异,旁路设备分流情况与规程要求存在较大差异,分流电流占总电流的1/4或更少。其主要原因是多设备组成的旁路系统各接续节点都存在接触电阻,旁路回路的总电阻远大于待检修设备和导线、线夹等的连接电阻。以下针对旁路作业的分流情况开展分析。

案例

图片关键词

图1旁路作业法安装柱上开关


某带电作业班在10kV架空线路T接分支杆带负荷加装柱上开关,装置结构如图1所示。


1.关键作业步骤

安装柱上开关→带电搭接开关两侧引线→合上开关→☆确认开关分流情况→拆除原主线与分支线的直搭引线。


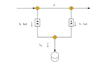
2.现场接线和电气参数

柱上开关投入运行后,两条支路电流的分流I1 28.85A,I2 25.46A,用户侧负荷I0 5.05A,主线电流180A,并不符合旁路系统分流常识即I0=I1+I2。推断I2电流方向与图示相反,即旁路系统电流方向为节点3流向节点2,并满足I0为I1、I2向量和。

图片关键词

图2现场接线与电气参数


根据现场导线参数和设备电气状态获取接线数据表1。

表1 导线电气参数

图片关键词

3.Simulink配电网潮流仿真计算

现场仪器仪表测量得到用户功率因素0.95,主线后段用户负荷175A、功率因素0.98。建立仿真模型,潮流计算结果如下:R接触电阻1约为2mΩ,R接触电阻2约为2.3mΩ。

(1)旁路接触电阻与分流的关系

由上述计算结果可知,线夹—引线接触电阻远大于导线自身电阻,而接触电阻与施工工艺有较大关联,以旁路系统R接触电阻2为控制变量,变化区间为0~100mΩ,仿真计算获取R接触电阻2与I1、I2关系如表2。

表2  I1、I2数值与R接触电阻2关联

图片关键词

在该案例中,无论旁路系统接触电阻数值大小,均不能实现有效分流,电流方向始终是从分支线向旁路系统流回主线。


(2)旁路电缆挂接点位置对分流的影响

根据上述案例,旁路电缆为实现正常分流,应挂接在杆塔电源侧。实际作业过程中,受制于场地限制、为腾出足够作业空间,旁路电缆挂接在离杆塔较远位置。

图片关键词

图3 旁路电缆挂接在杆塔电源侧


仿真验证I0/I取值对I1、I2数值的影响。设定分支线、旁路系统接触电阻为2mΩ,后段负荷取固定值200A,I0为变量,构建上述类似仿真模型进行验证,取得I1、I2数值与I0大小的关联数据。


表3  导线电气参数

图片关键词

表4  I1、I2数值与I0大小的关联性

图片关键词

在上述案例中,旁路电缆挂接在杆塔电源侧5m处导线上,随着分支线负荷I0变大,I0/I比值相应增大,旁路系统电流逐渐增大,分支线电流先减小后增大。I0/I<9.09%旁路系统电流流经分支线汇入主线,9.09% <I0/I<33.33%起到分流作用、旁路系统分流占比大于1/4,I0/I>33.33%旁路系统分流占比小于1/4、用户负荷主要通过分支线供应。


结束语

由上述计算分析可知,旁路电缆分流的大小,不但取决于旁路系统阻抗、分支线阻抗和旁路电缆挂接点位置,还随分支线用户负荷占主线负荷比例变化而不同。


为避免分支线与旁路系统并列运行时出现的电流“倒流”和分流不满足“旁路系统分流占比1/4~3/4”的要求,首先应保证旁路系统安装在分支线与主线连接点的电源侧,并靠近分支线与主线连接点位置。旁路系统连接点紧挨分支线连接点时,忽略Z值,得出关系式I1Z1=I2Z2,分流大小与旁路系统电阻正相关,为保证并列运行时正常分流,应减少旁路系统电阻,采取缩短旁路电缆敷设长度,确保电缆终端连接点清洁、涂抹导电脂等,确保各触点电气接触良好。


首页
产品
新闻
联系