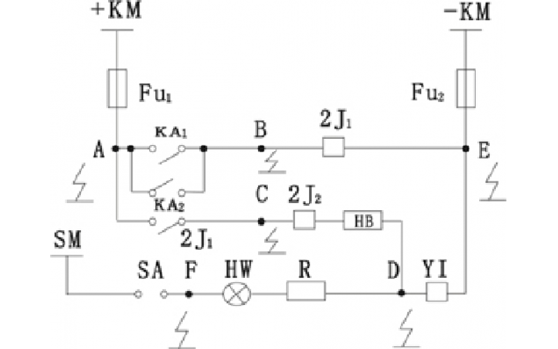
便携式直流接地故障点查找仪工作原理
2023-09-28 od网页版入口_OD(中国)官方
电气倒闸操作知识分享
2023-04-11 od网页版入口_OD(中国)官方
直流系统接地的处理方法知识分享
2023-04-03 od网页版入口_OD(中国)官方
直流串电与直流接地故障判断与简单查找方法知识
2022-04-28 od网页版入口_OD(中国)官方电气