新闻动态
KWZKod网页版入口_OD(中国)官方
网站首页
od网页版入口_OD(中国)官方
公司简介
在线反馈
联系我们
产品展示
全部
传感器/变送器
流量计系列
液位/料位系列
阀门/执行装置
液压/气动元件
检维修工器具
化验/分析仪器
其他机电仪产品
新闻动态
全部
行业知识
企业新闻
资料下载
客户案例
新闻动态
推荐
热门
最新
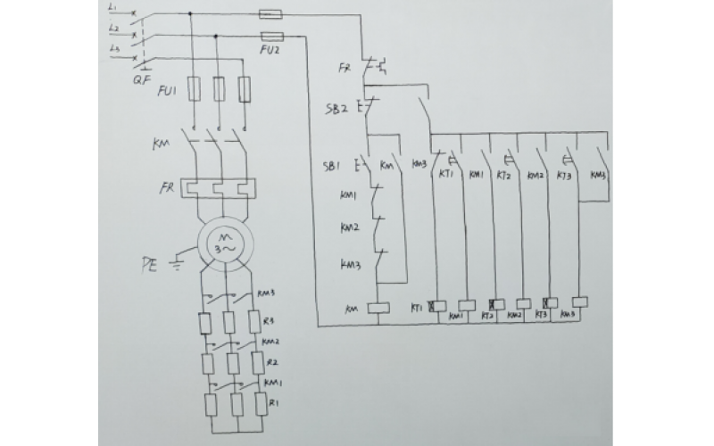
绕线转子异步电动机转子串电阻启动电路解析
绕线转子异步电动机转子串电阻启动电路解析
2022-11-17
od网页版入口_OD(中国)官方
上一页
1
下一页
转至第
首页
产品
新闻
联系
雷竞技官方网站
|
华亿注册大厅
|
竞技宝(JJB)官方网站
|
华亿官方网站_华亿集团有限公司
|
华亿体育
|
竞技宝·(JJB)官网
|
万博
|
leyu.乐鱼(集团)体育科技股份有限公司官网
|