新闻动态

  • #6机B循环水泵出口液控蝶阀故障分析

    7月22日夜间23点多,运行通知热工值班人员“#6机B循环水泵出口液控蝶阀显示黄色故障(运行中开信号消失)”,当时到现场检查,怀疑为开到位中间继电器坏,经值长同意更换后,故障依旧,为了安全起见,综合考虑后,决定晚上暂不处理。 23日上班8点多,我们安排人员到现场检查情况。观察发现,循环水泵在运行,液控蝶阀实际开到位,就地控制柜上开到位指示灯不亮,但就地开到位和关到位接近开关指示灯都亮(开到位灯正常亮,关到位相对较暗),查看就地控制柜内PLC上的相应DI指示灯, 7、8、9三个灯都亮。13灯亮。DO输出,一个通道也没有亮。

    2024-08-16 od网页版入口_OD(中国)官方

  • #5机B循泵液控蝶阀关阀故障分析知识分享

    #5机B循泵液控蝶阀关阀故障分析知识分享

    2022-07-12 od网页版入口_OD(中国)官方

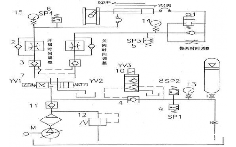
  • 机组循环水泵出口液控蝶阀常见故障分析及处理知识

    Y-Q系列液控蝶阀是循环水系统的主要设备之一,它的可靠与否关系着循环水系统的安全与稳定,而循环水系统的运行状况直接影响着机组的真空品质和汽轮机效率,严重故障时可直接导致机组跳闸[1]。河源电厂2×600MW燃煤机组配备有4台立式循环水泵,水泵出口各对应设置1台型号为2200D×7K41X-6Q蓄能罐式液控缓闭止回蝶阀。液控蝶阀是通过控制逻辑实现阀门的开关角度、速率大小等动作来消除循环水系统潜在水锤对管网的破坏以及水泵倒转[2]。液控蝶阀主要由蝶阀本体、传动装置、液压机构和电气控制部分等组成,在使用和维护过程中,各组成部分都曾发生了不同形式的故障现象,尤其是液压机构部分,多次出现油压异常、漏油、蝶阀拒动等情况,本文根据液压系统故障现象仔细分析缺陷原因,优化检修工艺,及时解体检查更换损坏件,避免了缺陷扩大。

    2022-04-24 od网页版入口_OD(中国)官方自控

上一页1下一页 转至第
首页
产品
新闻
联系