WAX-C320差压变送器在强腐蚀系统中的应用
2022-09-23 od网页版入口_OD(中国)官方
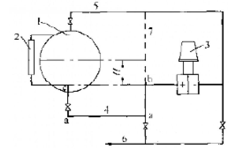
WAX-C320差压变送器液面测量的管路改装分享
2022-09-22 od网页版入口_OD(中国)官方