汽机机组振动原因和预防知识分享
2023-10-17 od网页版入口_OD(中国)官方
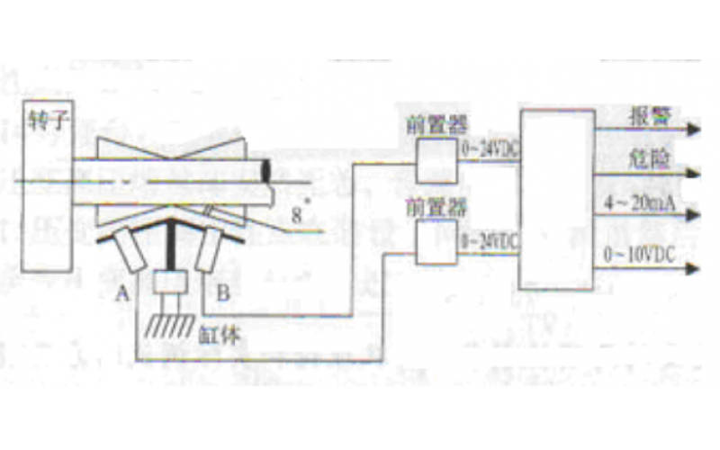
汽轮机胀差、轴位如何定零位?
2023-05-22 od网页版入口_OD(中国)官方
汽轮机胀差和轴向位移知识分享-广东od网页版入口_OD(中国)官方
2022-09-05 od网页版入口_OD(中国)官方