我走到操作室,首先查看励磁柜,也没有报警显示的呀,调试一下励磁装置也正常。
2024-10-18 od网页版入口_OD(中国)官方
机组并网后励磁装置灭磁柜电阻元件烧损案例分享
2023-05-31 od网页版入口_OD(中国)官方
2023-05-23 od网页版入口_OD(中国)官方
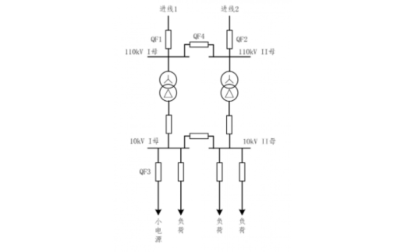
重庆od网页版入口_OD(中国)官方-小电源接入对备自投的影响
2022-09-06 od网页版入口_OD(中国)官方