新闻动态

  • 空压机电路里,交流接触器线圈为啥一定要并联阻容吸收器?

    首先得搞懂接触器线圈的“特性缺陷”:它本质是个大电感,通电时会像“储能电池”一样储存磁能。当空压机停机、控制电路断开的瞬间,线圈里的磁能会急剧转化为电能,产生远超220V额定电压的“高压反电动势”,数值能达到几百甚至上千伏。这股高压要是没地方释放,就会找电路里的“薄弱点”发泄,首当其冲的就是接触器自身的控制触点。

    2025-10-20 od网页版入口_OD(中国)官方

  • 阀门上的气源压力表是否需要强制校检

    JG52《弹性元件式一般压力表、压力真空表和真空表检定规程》(强制性要求)该规程适用于工业用压力表的检定,若阀门上的气源压力表属于“安全防护、贸易结算、环境监测、医疗卫生"等强制检定范畴,则必须定期检定(如涉及安全联锁的压力表);非强制检定场景:若仅用于一般过程监控(如气源压力指示),企业可自主管理,但需参照规程进行校准。

    2025-04-28 od网页版入口_OD(中国)官方

  • 化工厂为什么不全是气动阀?

    气动阀门:以压缩空气为动力,不会产生电火花风险,防爆性能优异,适合易燃易爆环境(如石油,石化、化工等场景)。尤其在需要紧急切断或频繁操作的场合,气动阀响应速度快(通常10秒内或者更短),可靠性更高。

    2025-03-14 od网页版入口_OD(中国)官方

  • 继电器故障误动作故障联锁案例

    空分装置空压机组联锁跳车,经查机组ITCC控制系统中 SOE 记录的跳车原因为速关油油压低联锁跳车。报警动作内容是汽机主汽门全开信号丢失,同一时刻速关油压力开关70PSA502、70PSA503动作,触发汽机紧急停车联锁。

    2024-12-06 od网页版入口_OD(中国)官方

  • 压力表分级及检定周期说明

    压力表分级及检定周期说明

    2024-11-18 od网页版入口_OD(中国)官方

  • 双法兰差压液位计故障案例

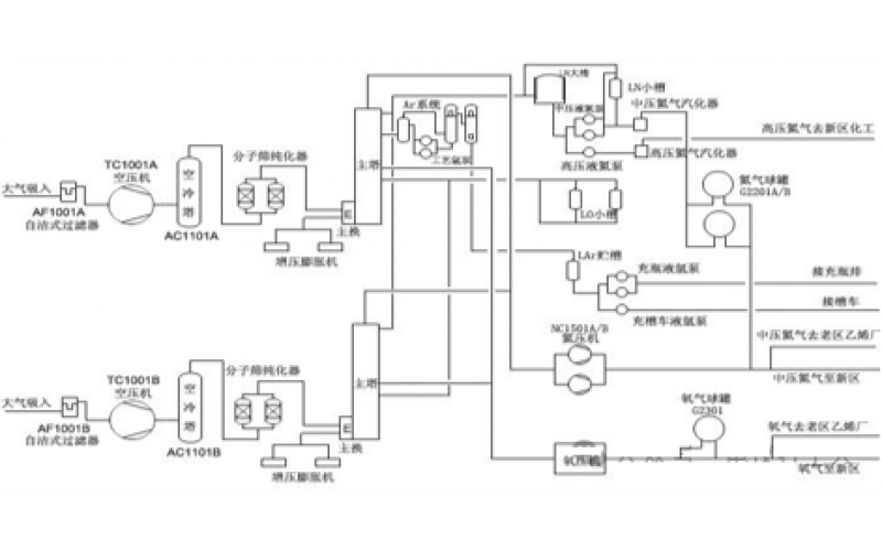
    公用工程联合车间空分装置B套空冷塔液位LICS01-1B在1分钟内由1336mm降到1131mm,19:21:47液位开始慢慢下降,最低降至 661mm。

    2024-10-23 od网页版入口_OD(中国)官方

  • 不用任何工具也能查到电气设备故障原因

    我走到操作室,首先查看励磁柜,也没有报警显示的呀,调试一下励磁装置也正常。

    2024-10-18 od网页版入口_OD(中国)官方

  • 空压机尾气压力低联锁原因分析

    尾气压力低报警,13:21:34 透平入口压力PSLL37低低报警,空压机停机,造成氧化反应器停车。

    2024-09-18 od网页版入口_OD(中国)官方

上一页1234下一页 转至第
首页
产品
新闻
联系